SDM6115

应用领域

电动工具、移动电源

电动工具、移动电源

封装

SOP 16、SSOP 16

SOP 16、SSOP 16

串数

3~5

3~5

功耗

10uA

10uA

类型

一次保护

一次保护
芯片描述

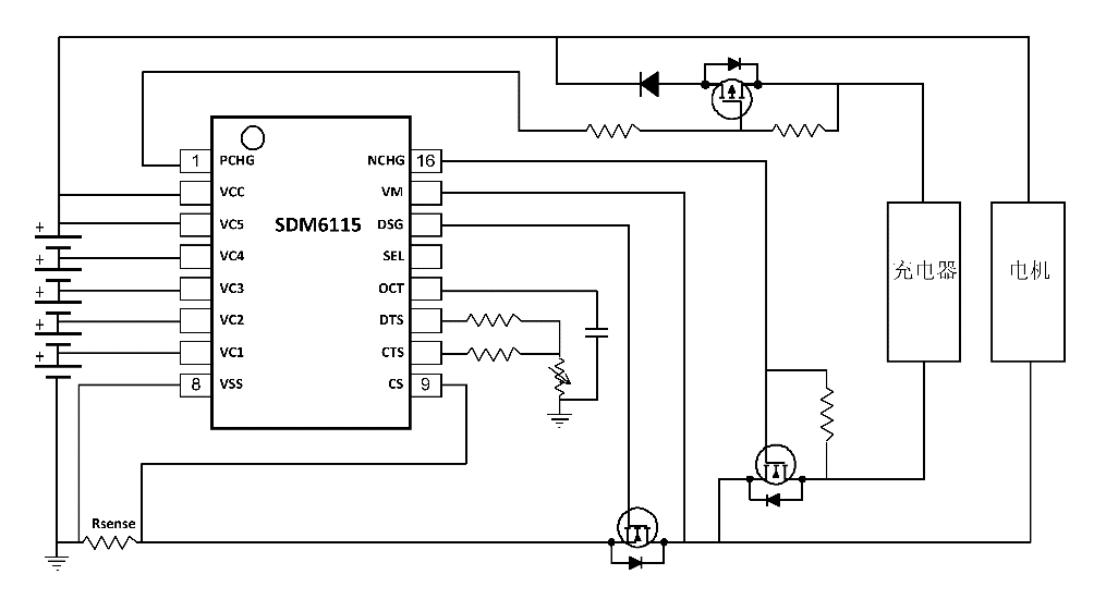
SDM6115是一颗支持 3~5 串锂电池应用,集成 OV/UV/LV/OW/OC/SC/OT/UT 等的高精度硬件全保护芯片。集成高精度的硬件电压保护、电流保护和温度保护功能,可独立完成过压 OV,欠压 UV,放电一级过流 DOC1,放电二级过流 DOC2,短路保护 SC,以及充电过温 COT,充电低温 CUT,放电过温 DOT,放电低温 DUT 等保护和解保护动作。通过 SEL PIN 的电平,用户可灵活配置 3/4/5 串的应用,极大的提升了用户的备货便利性。

芯片特点
  • 高精度电压检测功能

  • 3 段放电过电流保护功能

  • 4个温度保护点,精度±3℃

  • 充电过流保护电功能

  • 过流延时可调

  • 支持断线检测和保护

  • 支持乱序上电

  • 节间耐压 -20 ~ +30V

  • 低压禁充电压1.2V

  • 低电流消耗

芯片框图
应用领域

产品搜索

样片申请
及购买




请填写真实有效的邮箱地址!