工业控制
针对工业控制领域推出高精度电流环芯片、HART芯片和工业级传感器信号调理芯片,满足工业测量、通信等多方面使用需求。
方案概述
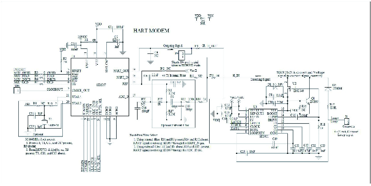
针对工业现场智能仪表的物联网需求,使用单片HART调制解调器SD2057和数模转换器SD2421设计实现了其中的HART协议远程通信模块,具有高精度、低功耗、低成本、工作可靠性高的优点。
方案优势
  • 精度高、功耗低、成本低

  • 稳定性高,满足工业环境使用需求

精度高、功耗低、成本低

稳定性高,满足工业环境使用需求

技术特点
Hart
  • 符合 HART 通信协议物理层要求

  • 符合 Bell202 标准载波 1200Hz 和 2200Hz

  • 内部集成接收滤波器,所需外部元件极少

  • HART 波形整形输出具有额外驱动能力

  • UART 接口

  • 工作电压 2.7~5.5V

  • 低功耗,调制模式下最大功耗为 112µA

  • -55~+125℃工作温度范围

  • 满足 RoHS 环保要求

4~20mA电流环
  • 16 位分辨率和单调性

  • ±0.01%积分非线性

  • 3V/3.3V/5V 稳压器输出

  • 2.5V 和 1.25V 精密基准电压源输出

  • 最大静态电流 520µA

  • 兼容 HART®通信协议

  • 灵活的抗干扰串行接口

  • 可编程报警电流输出能力

  • 过流保护以及短路保护

  • 16 引脚 SOIC 封装

  • -40~+85℃工业级工作温度范围|

应用框图
特色产品

方案资讯

产品视频