SD78P953

电流

电压

自动/手动

自动

自动

Counts

9999

9999

LCD

4x42

4x42
芯片描述

        本芯片是带2个24位ADC的SOC产品,程序存储器为20k Bytes OTP,超低功耗设计,使用内部RC振荡器或外部晶体振荡器工作,3.3V工作电压下,典型应用时的工作电流CPR关闭时2.0mA,CPR打开时3.0mA。

        外围资源丰富:可选的多种稳压电源输出,灵活设置的ADC模块,升压模块,UART,带有CAPTURE功能的TIMER,正弦波产生器,PWM和PFD输出模块,LCD驱动等。

        本产品的OTP可以低压自烧录,烧录电压范围:2.4~3.6V,OTP可以替代EERPOM使用。

        MCU提供三种工作模式让用户可以在工作效率和能量消耗方面得到最佳选择,三种模式是:正常工作模式、待机模式、休眠模式。


芯片特点
  • 高精度ADC,可实现6000分度或以上测量

  • 交流真有效值输出,1kHz带宽处误差不超过0.5%

  • 芯片内置分压电阻,无需外部电阻分压

  • 可编程多功能测量网络,支持电压,电流,电阻,二极管,三极管,通断,温度,功率, 电容,频率,电感等测量

  • 内置charge pump,可测试3V二极管

  • 多功能比较器,具有latch功能

  • 8位RISC超低功耗MCU,49条指令,6级堆栈,在2MHz工作时钟,MCU部分在3.3V工作电 压下电流典型值为400μA;32kHz时钟待机模式下工作电流1.5μA,休眠模式电流小于1μA

  • 20k Bytes OTP程序存储器,512 Bytes SRAM 数据存储器

  • 24bit计数器TMRA、TMRB和TMRC,用于频率或占空比测量

  • 低压烧录功能,可以替代外部EEPROM

  • 灵活的电池检测功能,检测范围2.0~3.3V

  • 丰富的外围资源:UART,PWM,PFD,BUZ,TIMER,正弦波产生器

  • 带LCD驱动模块,最多可支持42SEG×4COM、41SEG×5COM、40SEG×6COM、 38SEG×8COM液晶驱动电路,超低功耗和大驱动能力设计;内含程控升压模块, 可以在低压条件下维持高亮显示,支持灰度调节

  • 所有I/O带施密特触发输入及可选上拉电阻

  • 掉电检测电路和上电复位电路

  • 工作电压范围:2.4~3.6V

  • 工作温度范围:-40~85℃

  • 内部8MHz与32kHz RC振荡器

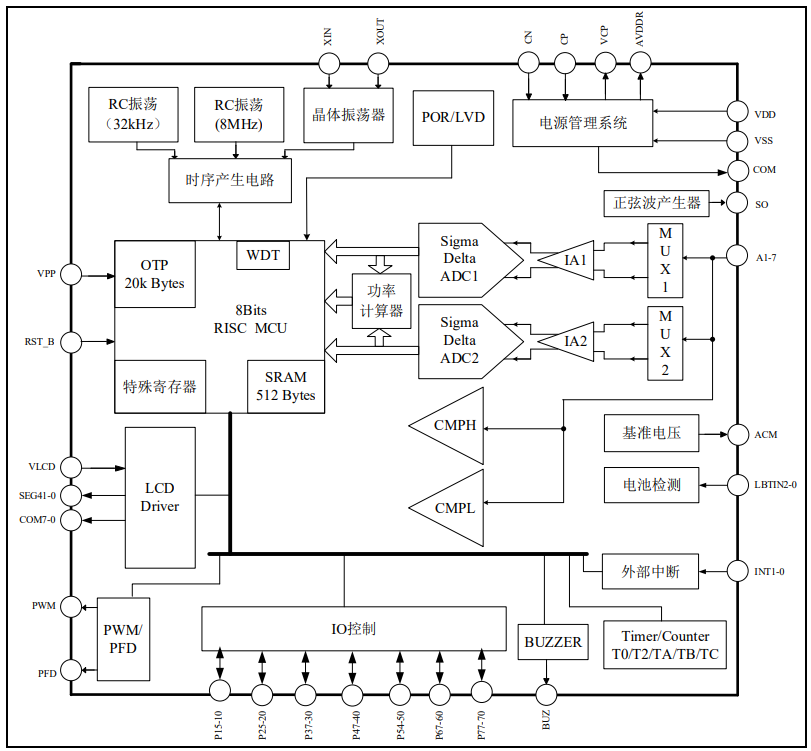
芯片框图
应用领域

产品搜索

样片申请
及购买




请填写真实有效的邮箱地址!