SD8305

工作电压

2.4~3.6V

2.4~3.6V

工作电流

1.1mA

1.1mA

ADC ENOB

19.6bits@8sps
Gain = 100

19.6bits@8sps
Gain = 100

外设

RTC、 UART

RTC、 UART

封装

QFN40

QFN40
芯片描述

   本芯片是带20位ADC的SoC产品,程序存储器为16k Bytes OTP,可以低压自烧录,烧录电压范围:2.4 ~ 3.6V,用于替代外部EEPROM。外围只需要5个电容,器件很少,非常适合人体秤等家用秤应用。

         超低功耗设计,使用内部RC振荡器的2分频工作,3V工作电压下,典型应用时的工作电流只有1.1mA(不包括传感器功耗),非常适合电池供电的应用。

         MCU提供三种工作模式让用户可以在工作效率和能量消耗方面得到最佳选择,三种模式是:正常工作模式、待机模式、休眠模式。


芯片特点
  • 高精度ADC,ENOB = 18.5bits@8sps,单个差分通道或者3个单端通道

  • 低噪声高输入阻抗前置放大器,1、12.5、50、100、200倍增益可选

  • 8位RISC超低功耗MCU,49条指令,6级堆栈,在2MHz工作时钟,3V工作电压下电流 典型值为600μA; 32kHz时钟待机模式下工作电流1.8μA,休眠模式电流典型值为1μA

  • 16k Bytes OTP程序存储器,256 Bytes SRAM 数据存储器

  • 具有OTP低压烧录功能。烧录电压范围:2.4~ 3.6V,可以用于替代外部EEPROM

  • 内置高频4MHz和低频32kHz的 RC振荡,无需外部时钟

  • 内置RTC模块,可与外接的32.768kHz晶体配合提供秒、分、小时信息

  • 8位TIMER,用于定时中断,支持PFD输出

  • 内置硅温度传感器,可以单点校正

  • 内置1路UART通信接口

  • 20SEG×4COM液晶驱动电路,超低功耗和大驱动能力设计;内含程控升压模块,可 以在低压条件下维持高亮显示

  • 输出四种可选择稳压源:2.4V/2.6V/2.9V/3.3V,提供外部传感器激励信号

  • 灵活的电池检测功能,检测范围2.3 ~ 3.0V

  • 所有I/O带施密特触发输入,可以选择是否使用上拉电阻

  • Watch Dog Timer

  • 掉电检测电路和上电复位电路

  • 工作电压范围:2.4 ~ 3.6V

  • 工作温度范围:-40 ~ 85℃

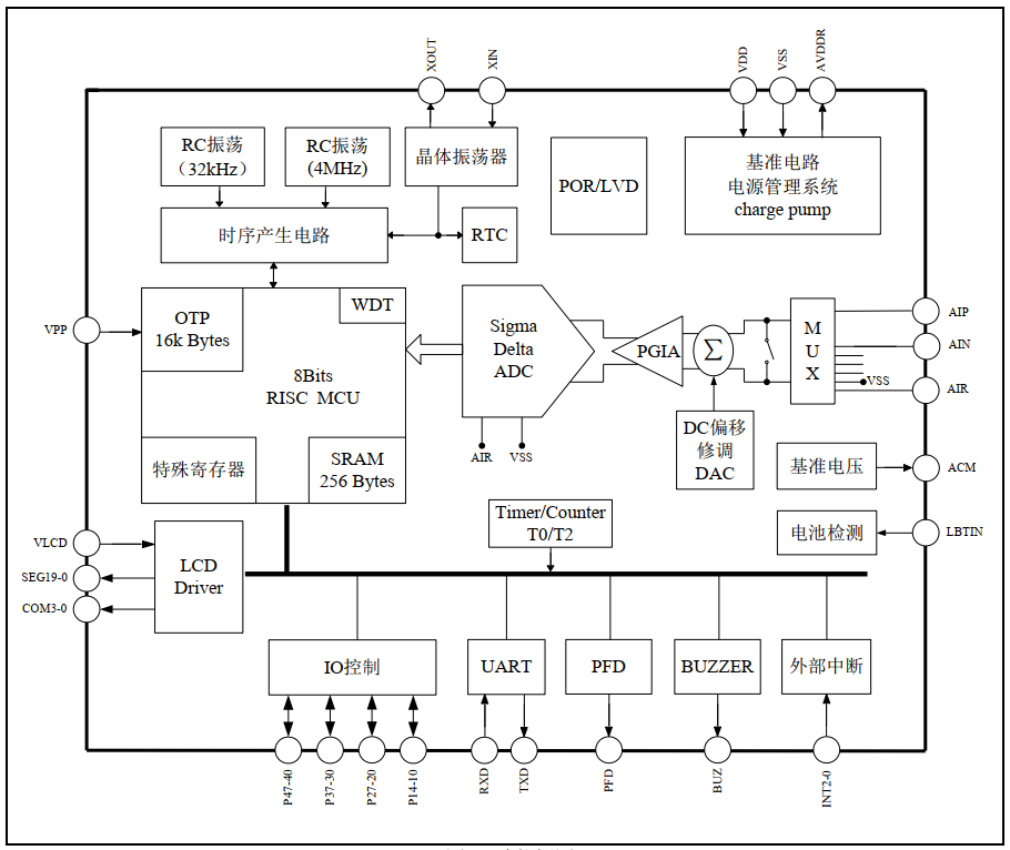
芯片框图
应用领域

人体称

厨房称

手提称

产品搜索

样片申请
及购买




请填写真实有效的邮箱地址!