SD8005B

工作电压

2.4~3.6V

2.4~3.6V

工作电流

1.5mA

1.5mA

ADC ENOB

18.8bits@8sps
Gain = 100

18.8bits@8sps
Gain = 100

外设

RTC、I²C、UART、SPI 、PWM

RTC、I²C、UART、SPI 、PWM

封装

裸片

裸片
芯片描述

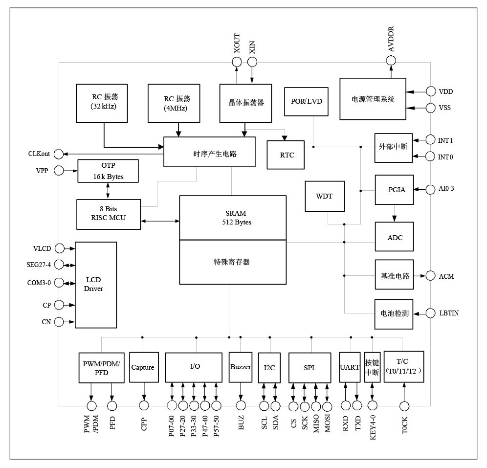
        本芯片是高精度 24 ADC SoC 产品,外围资源丰富:RTC, 可选的多种稳压电源输出,灵活设置的 PGIA 模块,升压模块, UARTI²CSPITIMERPWM/PDMPFDCAPTURE 输出模块, LCD 驱动等。
        本产品带
16k Bytes OTP, 可以低压自烧录,烧录电压范围: 2.4~3.6VOTP 可以替代EEPROM 使用。
        超低功耗设计, 典型应用时整个芯片的工作电流约为
1mAIAD=0)或 1.5mAIAD=1)。提供三种工作模式:正常工作模式、待机模式、休眠模式。

芯片特点
  • 高精度 ADC, ENOB=18.8bits@8sps, 差分 2通道或单端 4 通道

  • 低噪声高输入阻抗前置放大器, 1、 12.5、 50、100、 200 倍增益可选

  • 8 位 RISC 超低功耗 MCU, 在 2MHz 工作时钟,MCU 部分在 3V 工作电压下电流 典型值为300μA; 32kHz时钟待机模式下工作电流1.5μA,休眠模式电流小于 1μA

  • 16k Bytes OTP 程序存储器, 512Bytes SRAM 数据存储器

  • 低压烧录功能,可以替代外部 EEPROM

  • 集成多种时钟振荡器,灵活多样的时钟选择,选择外部晶振时,支持停振检测功能

  • ADC 输出速率可选择范围: 8SPS-2kSPS

  • 24SEG×4COM 液晶驱动电路,超低功耗和大驱动能力设计;内含程控升压模块, 可以在低压条件下维持高亮显示,并支持灰度调节

  • 内有硅温度传感器,可单点校准

  • 输出 1.2V 低温漂基准

  • 输出四种可选择稳压源: 2.4V/2.6V/2.9V/3.3V,提供外部传感器激励信号

  • 灵活的电池检测功能,检测范围 2.0~3.3V

  • ADC 外部基准与内部基准可选,内部集成多种基准选项

  • RTC 模块,可以提供秒信号输出

  • 丰富的外围资源: UART, I²C, SPI, PWM/PDM,PFD, TIMER, CAPTURE

  • 掉电检测电路和上电复位电路

  • 工作电压范围: 2.4~3.6V

  • 工作温度范围: -40~85℃

芯片框图
应用领域

手提秤

胎压计

相关推荐产品

产品搜索

样片申请
及购买




请填写真实有效的邮箱地址!